Features:
High-Quality Material: The 30 Series profiles are made from premium-grade aluminum alloy, providing exceptional strength and durability.
Modular Design: These profiles feature a modular design, allowing for easy assembly and customization. They can be easily connected using compatible accessories such as brackets, connectors, and fasteners.
Versatility: The 30 Series profiles are suitable for a wide range of industrial applications, including machine frames, conveyors, enclosures, partitions, and more.
Corrosion Resistance: The aluminum alloy used in these profiles offers excellent resistance to corrosion, ensuring long-lasting performance even in challenging environments.
Easy Installation: With their user-friendly design, the 30 Series profiles can be quickly and easily installed, reducing assembly time and labor costs.
Flexibility: These profiles provide flexibility in design and can be easily modified or extended as per project requirements. They offer compatibility with a variety of accessories, allowing for endless configuration possibilities.
Lightweight: Despite their robust construction, the 30 Series profiles are lightweight, making them easy to handle and transport.
Applications:
The 30 Series Industrial Aluminum Profiles offer a reliable and versatile solution for industrial applications. Their high-quality construction, modular design, and compatibility with various accessories make them an ideal choice for projects requiring strength, flexibility, and ease of installation.
| Color | Black,Silver,Grey,Customized |
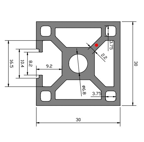
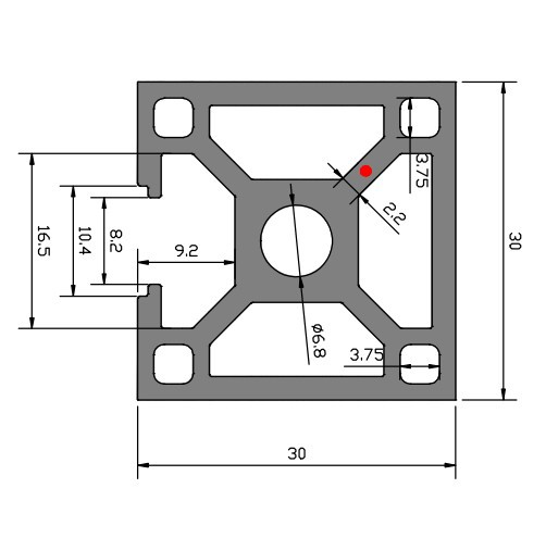
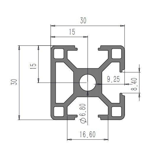
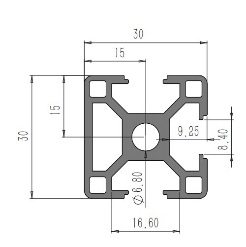
| V Slot,T Slot Size | 6mm,8mm,10mm |
| Alloying Ingredient | 6061/6063 |
| Temper | T3-T8 |
| Length | 6m,Customized |
| Specification | 30*90mm |
| Surface Finishing | Anodic Oxidation |
| Polished Aluminum Profile | Mechanical Polishing |
| Package Size | 110cm*6cm*6cm |
| Gross Weight | 2.6kg |
| Port | Ningbo |




